我们的产品

耐用、可靠和性价比高

威尔顿气动隔膜泵不仅是经济、可靠和节能的理想解决方案,其先进的空气分配系统(ADS)通过减少耗气量和优化维护来显著提高正排量泵的生产率。

查看我们的产品

CHEM-FUSE节省计算器

个性化的节省成本计算

即可根据所填写的工业级隔膜和常规隔膜的标准平均故障间隔时间数据,查看您潜在可节省成本。

立即开始保存

专用泵

查看所有

我们的市场

威尔顿®解决各种泵送挑战。

威尔顿®正排量气动双隔膜(AODD)泵解决方案在诸多行业和应用中处于前沿地位。

查看我们的市场

支持与服务

威尔顿的全球服务和支持,提供超出预期的援助

威尔顿®时刻为威尔顿气动隔膜泵、零件或附件提供技术支持。

查看支持与服务选件

CHEM-FUSE节省计算器

个性化的节省成本计算

即可根据预填的工业级隔膜和常规隔膜的标准平均故障间隔时间数据,立即查看您的潜在节省成本。

立即开始保存
PS4 Pro-Flo SHIFT 1.5 Plastic

38 mm (1-1/2") Pro-Flo® SHIFT系列塑料卡箍泵 PS4

进气口
  • 3/4" FNPT
进料口
  • 38 mm (1-1/2")
出料口
  • 38 mm (1-1/2")
连接类型
  • DIN/ANSI (法兰)
最大吸升高度
  • 橡胶– 5.9 m (19.5') 干吸, 8.3 (27.2') 湿吸
  • EZ-Install TPE – 6.2 m (20.4') 干吸, 8.3 m (27.2') 湿吸
  • 全冲程 PTFE – 6.1 m (19.9') 干吸, 8.3 m (27.2') 湿吸
最大流量
  • 橡胶 – 379 lpm (100 gpm)
  • EZ-Install TPE – 378 lpm (100 gpm)
  • 全冲程 PTFE – 368 lpm (98 gpm)
最大压力
  • 8.6 bar (125 psi)
最大颗粒尺寸
  • 4.8 mm (3/16")
每冲程排量 *
  • 橡胶–1.0 L (0.26 gal)
  • EZ-Install TPE – 1.0 L (0.26 gal)
  • 全冲程 PTFE – 1.0 L (0.26 gal)
  • * 1循环 = 2冲程
  • icon_cert-CE

特性与优势

Jim Wilden在设计威尔顿塑料泵时,采用了卡箍设计。塑料卡箍泵具有与金属卡箍泵相同的优点,设计精简、坚固,非常适合化学品输送。塑料卡箍泵易于维护,安装简单,便于修护,只需单个工具即可拆装。久经时间考验的数万台卡箍泵,每年泵送数十亿加仑的流体。

  • DIN/ANSI法兰连接
  • 进/出料口采用灵活性高的旋转头设计
  • 高效、节能的Pro-Flo®SHIFT ADS
  • 更大的流量-每SCFM泵送更多加仑数
  • 减少耗气量和耗电量
  • 久经时间验证的稳定性能
  • 卡箍连接便于更快进行维护
  • 低成本
  • 安装简便
  • 易于操作和维护

下载

宣传册

EOM

型号: PS4 | 代码:WIL-10440-E-04

规格表

型号: PS4 | 代码: WIL-10440-T-02

性能规格

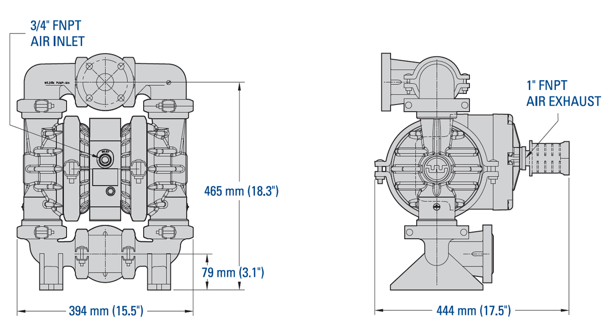
尺寸

Dim-PS4-38mm

注意: 尺寸因材料和连接类型而异。更多相关信息,请参阅PS4塑料泵安装手册。

流量曲线–易安装(EZ-Install)热塑性弹性体隔膜

Flo-PS4-38mm

注意: 其它性能曲线可以参阅PS4塑料泵安装手册。

进气口
  • 3/4" FNPT
进料口
  • 38 mm (1-1/2")
出料口
  • 38 mm (1-1/2")
连接类型
  • DIN/ANSI (法兰)
最大流量
  • 橡胶– 379 lpm (100 gpm)
  • EZ-Install TPE – 378 lpm (100 gpm)
  • 全冲程 PTFE – 368 lpm (98 gpm)
最大压力
  • 8.6 bar (125 psi)
最大颗粒尺寸
  • 4.8 mm (3/16")
最大吸升高度
  • 橡胶– 5.9 m (19.5') 干吸, 8.3 (27.2') 湿吸
  • EZ-Install TPE – 6.2 m (20.4') 干吸, 8.3 m (27.2') 湿吸
  • 全冲程 PTFE – 6.1 m (19.9') 干吸, 8.3 m (27.2') 湿吸
每冲程排量 *
  • 橡胶–1.0 L (0.26 gal)
  • EZ-Install TPE – 1.0 L (0.26 gal)
  • 全冲程 PTFE – 1.0 L (0.26 gal)
  • * 1循环 = 2冲程

接液部件材质

材料 装运重量
聚丙烯 18 kg (40 lb)
PVDF 24 kg (52 lb)

非接液部件材质

说明 材料
中心体 聚丙烯,铝,不锈钢
气阀 聚丙烯,铝,不锈钢
气室 铝,PFA涂层铝,不锈钢

弹性体可选材质

材料 温度限值
丁腈橡胶(Buna-N) -12°C 至82°C (10°F 至180°F)
EPDM -51°C 至138°C (-60°F 至280°F)
FKM -40°C 至177°C (-40°F 至350°F)
Geolast® -40°C 至82°C (-40°F 至180°F)
氯丁橡胶(Neoprene) -18°C 至93°C (0°F 至200°F)
PTFE* 4°C 至104°C (40°F 至220°F)
聚氨酯 -12°C 至66°C (10°F 至150°F)
Saniflex™ -29°C 至104°C (-20°F 至220°F)
Wil-Flex™ -40°C 至107°C (-40°F 至225°F)

* 仅4°C 至149°C (40°F 至300°F) - 13 mm (1/2") 和25 mm (1") 型号