我们的产品

耐用、可靠和性价比高

威尔顿气动隔膜泵不仅是经济、可靠和节能的理想解决方案,其先进的空气分配系统(ADS)通过减少耗气量和优化维护来显著提高正排量泵的生产率。

查看我们的产品

CHEM-FUSE节省计算器

个性化的节省成本计算

即可根据所填写的工业级隔膜和常规隔膜的标准平均故障间隔时间数据,查看您潜在可节省成本。

立即开始保存

专用泵

查看所有

我们的市场

威尔顿®解决各种泵送挑战。

威尔顿®正排量气动双隔膜(AODD)泵解决方案在诸多行业和应用中处于前沿地位。

查看我们的市场

支持与服务

威尔顿的全球服务和支持,提供超出预期的援助

威尔顿®时刻为威尔顿气动隔膜泵、零件或附件提供技术支持。

查看支持与服务选件

CHEM-FUSE节省计算器

个性化的节省成本计算

即可根据预填的工业级隔膜和常规隔膜的标准平均故障间隔时间数据,立即查看您的潜在节省成本。

立即开始保存
21-PSGC-1000-TZ-Series-Image-Resize_0004_TZ-2-Plastic-01 21-PSGC-1000-TZ-Series-Image-Resize_0005_TZ-2-Plastic-02

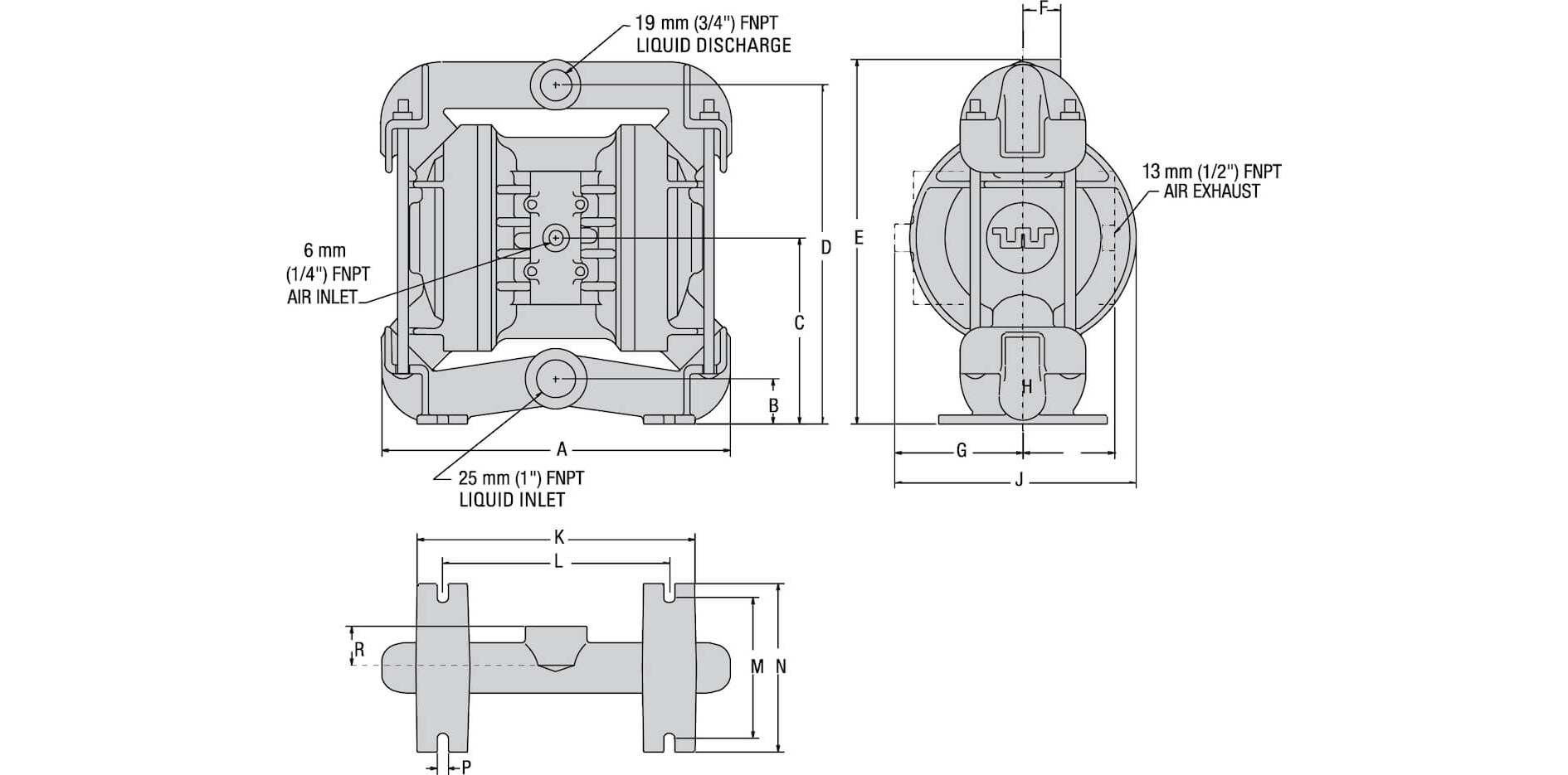
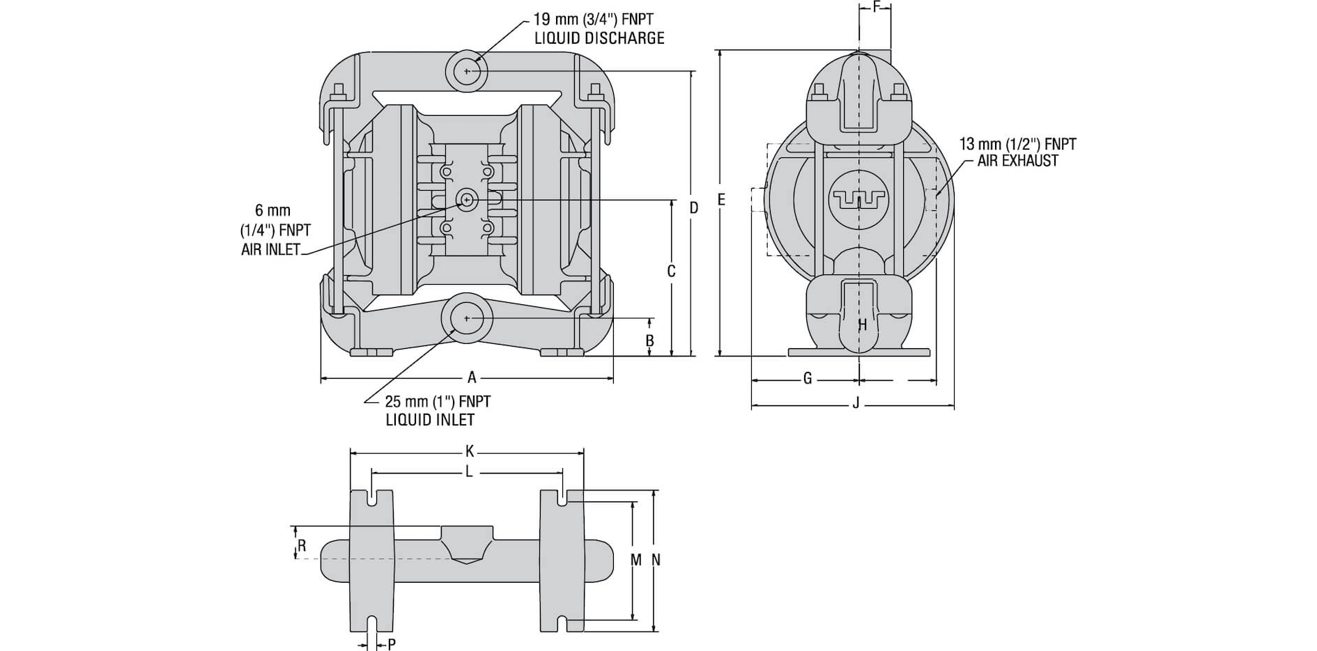
25 mm (1") Turbo-Flo Z系列TZ2

进气口
  • 6 mm (1/4")
进料口
  • 25 mm (1")
出料口
  • 25 mm (1")
最大流量
  • 塑料泵:121 lpm (32 gpm)
  • 金属泵:156 lpm (40.2 gpm)
最大颗粒尺寸
  • 3.2 mm (1/8")
  • icon_cert-CE
  • icon_cert-Ex
(金属泵)

下载

宣传册

EOM

型号:TZ2 | 代码:WIL-16030-E-02-CN
型号:TZ2 | 代码:WIL-16030-E-02
型号:TZ2 | 代码:WIL-16040-E-01-CN
型号:TZ2 | 代码:WIL-16040-E-02

性能规格

尺寸图-TZ2金属泵

T2 Metal DimDwg
TZ2-Metal

尺寸图-TZ2塑料泵

TZ2 Plastic_DimDwg
TZ2-Plastic

附件