我们的产品

耐用、可靠和性价比高

威尔顿气动隔膜泵不仅是经济、可靠和节能的理想解决方案,其先进的空气分配系统(ADS)通过减少耗气量和优化维护来显著提高正排量泵的生产率。

查看我们的产品

CHEM-FUSE节省计算器

个性化的节省成本计算

即可根据所填写的工业级隔膜和常规隔膜的标准平均故障间隔时间数据,查看您潜在可节省成本。

立即开始保存

专用泵

查看所有

我们的市场

威尔顿®解决各种泵送挑战。

威尔顿®正排量气动双隔膜(AODD)泵解决方案在诸多行业和应用中处于前沿地位。

查看我们的市场

支持与服务

威尔顿的全球服务和支持,提供超出预期的援助

威尔顿®时刻为威尔顿气动隔膜泵、零件或附件提供技术支持。

查看支持与服务选件

CHEM-FUSE节省计算器

个性化的节省成本计算

即可根据预填的工业级隔膜和常规隔膜的标准平均故障间隔时间数据,立即查看您的潜在节省成本。

立即开始保存
PS2-Saniflo-HS-Fixed_1200x1200

25 mm (1") Saniflo™ 卫生系列金属卡箍泵PS2

进气口
  • 1/2" FNPT
进料口
  • 25 mm (1")
出料口
  • 25 mm (1")
连接类型
  • Tri-Clamp®
  • DIN
  • SMS
阀选件
  • 球阀
最大吸升高度
  • 全冲程一体式活塞 - 2.4 m (8') 干吸, 7.9 m (26') 湿吸
  • 全冲程 TPE - 1.2 m (4') 干吸, 7.9 m (26') 湿吸
  • 全冲程 PTFE - 1.5 m (10') 干吸, 7.6 m (25') 湿吸
  • 橡胶- 3.9 m (13') 干吸, 7.6 m (25') 湿吸
最大流量
  • 全冲程一体式活塞 - 117 lpm (31 gpm)
  • 全冲程 TPE  - 109 lpm (29 gpm)
  • 全冲程 PTFE - 117 lpm (31 gpm)
  • 橡胶- 121 lpm (32 gpm)
最大压力
  • 8.6 bar (125 psi)
最大颗粒尺寸
  • 6.4 mm (1/4")
每冲程排量 *
  • 全冲程一体式活塞 - 0.2 L (0.07 gal)
  • 全冲程 TPE - 0.2 L (0.07 gal)
  • 全冲程 PTFE - 0.22 L (0.06 gal)
  • 橡胶- 0.2 L (0.07 gal)
  • * 1循环 = 2冲程
  • EC-1935-LOGO
  • usp-logo
  • 3a_logo
  • fda_logo
  • ce_logo
  • atex_logo

特性与优势

威尔顿Saniflo™HS卫生系列泵采用自排空流道,优化泵的性能,并实现在线清洗(CIP)功能,同时降低交叉污染,或避免因成品受损而产生高成本召回成品的风险。适用于巴氏、杀菌产品、蛋白质基产品,以及生物制药无菌工艺。符合严格的标准和要求,包括3A,ATEX,EC 1935/2004,USP VI级和FDA CFR 21.177。

*USP VI级认证仅适用于带有PTFE弹性体材质的Saniflo HS泵
  • 高效、节能的Pro-Flo®SHIFT ADS
  • 采用自排空流道设计,具备在线清洗(CIP)功能
  • 易于安装
  • 旋转支架便于清洁和排空
  • 多种阀选件:球阀、蘑菇阀、片阀,可满足不同的应用需求
  • 剪切敏感
  • 更大的流量-每SCFM泵送更多加仑数

性能规格

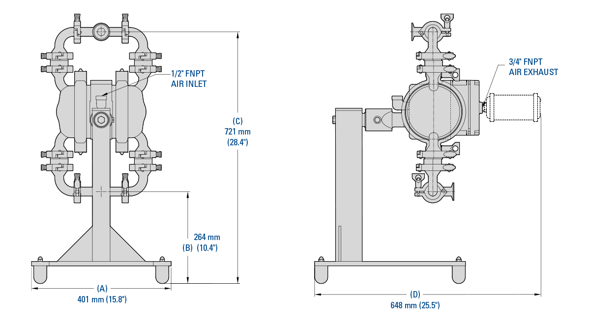
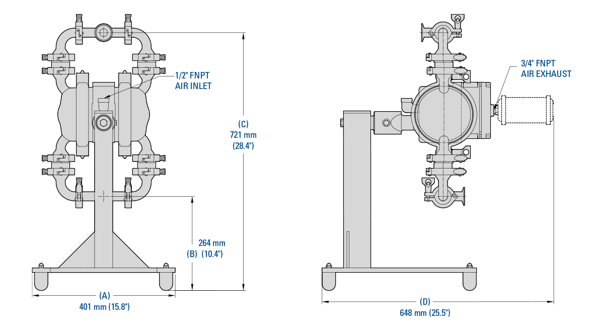
尺寸

PS2_Curves+Dims_0001_PS2-Saniflo-HS-Vert-Mount-Fixed

注意: 尺寸因材料和连接类型而异。更多相关信息,请参阅Hygienic PS2 金属泵手册。

流量曲线–全冲程一体式隔膜

PS2_Curves+Dims_0004_b_PS2_Saniflo-HS_FS_TPE_-IPD-Fitted

注意: 其它性能曲线可以参阅Hygienic PS4金属泵手册。

进气口
  • 1/2" FNPT
进料口
  • 25 mm (1")
出料口
  • 25 mm (1")
连接类型
  • Tri-Clamp®
  • DIN
  • SMS
最大流量
  • 全冲程一体式活塞 - 117 lpm (31 gpm)
  • 全冲程 TPE  - 109 lpm (29 gpm)
  • 全冲程 PTFE - 117 lpm (31 gpm)
  • 橡胶- 121 lpm (32 gpm)
阀选件
  • 球阀
最大压力
  • 8.6 bar (125 psi)
最大颗粒尺寸
  • 6.4 mm (1/4")
最大吸升高度
  • 全冲程一体式活塞 - 2.4 m (8') 干吸, 7.9 m (26') 湿吸
  • 全冲程 TPE - 1.2 m (4') 干吸, 7.9 m (26') 湿吸
  • 全冲程 PTFE - 1.5 m (10') 干吸, 7.6 m (25') 湿吸
  • 橡胶- 3.9 m (13') 干吸, 7.6 m (25') 湿吸
每冲程排量 *
  • 全冲程一体式活塞 - 0.2 L (0.07 gal)
  • 全冲程 TPE - 0.2 L (0.07 gal)
  • 全冲程 PTFE - 0.22 L (0.06 gal)
  • 橡胶- 0.2 L (0.07 gal)
  • *1循环 = 2冲程

接液部件材质

材料 装运重量
316L不锈钢 40 kg (80 lb)

非接液部件材质

说明 材料
中心体 镀镍铝
气阀 镀镍铝

弹性体可选材质

材料 温度限值
EPDM -51°C 至138°C (-60°F 至280°F)
FKM -40°C 至177°C (-40°F 至350°F)
PTFE* 4°C 至104°C (40°F 至220°F)
Saniflex™ -29°C 至104°C (20°F 至220°F)
* 仅4°C to 149°C (40°F 至300°F) - 13 mm (1/2") 和25 mm (1") 型号