我们的产品

耐用、可靠和性价比高

威尔顿气动隔膜泵不仅是经济、可靠和节能的理想解决方案,其先进的空气分配系统(ADS)通过减少耗气量和优化维护来显著提高正排量泵的生产率。

查看我们的产品

CHEM-FUSE节省计算器

个性化的节省成本计算

即可根据所填写的工业级隔膜和常规隔膜的标准平均故障间隔时间数据,查看您潜在可节省成本。

立即开始保存

专用泵

查看所有

我们的市场

威尔顿®解决各种泵送挑战。

威尔顿®正排量气动双隔膜(AODD)泵解决方案在诸多行业和应用中处于前沿地位。

查看我们的市场

支持与服务

威尔顿的全球服务和支持,提供超出预期的援助

威尔顿®时刻为威尔顿气动隔膜泵、零件或附件提供技术支持。

查看支持与服务选件

CHEM-FUSE节省计算器

个性化的节省成本计算

即可根据预填的工业级隔膜和常规隔膜的标准平均故障间隔时间数据,立即查看您的潜在节省成本。

立即开始保存
PS15_Saniflo_Hygienic_FDA_WEB

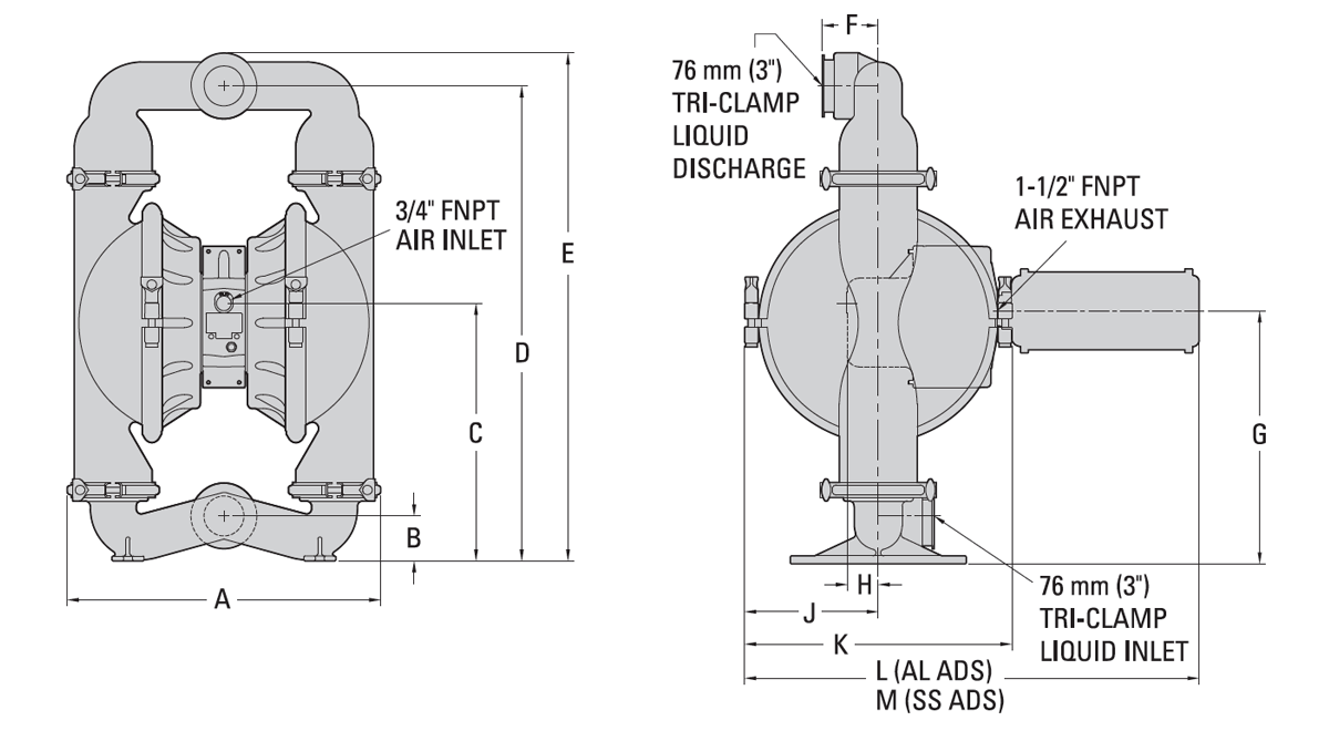
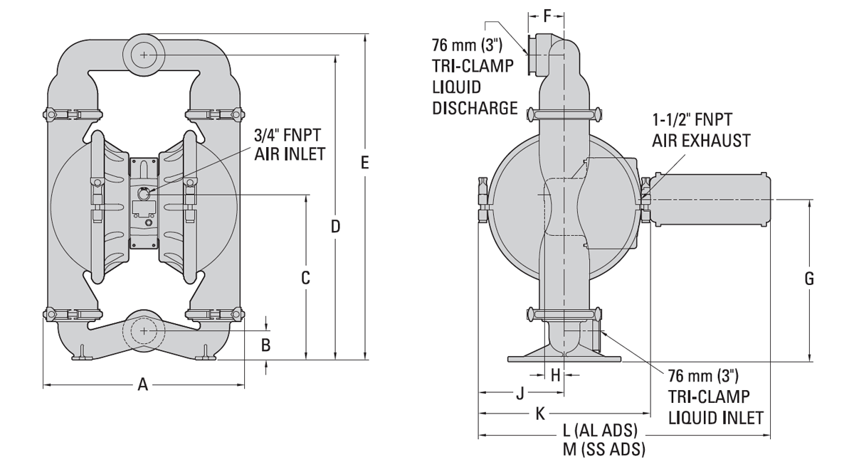
76 mm (3")Pro-Flo®SHIFT Saniflo™ FDA系列金属卡箍泵 PS15

进气口
  • 3/4" FNPT
进料口
  • 76 mm (3")
出料口
  • 76 mm (3")
连接类型
  • Tri-Clamp®
最大吸升高度
  • 橡胶– 6.6 m (21.6’) 干吸, 8.6 m (28.4’) 湿吸
  • EZ-Install TPE – 6.3 m (20.7') 干吸, 8.6 m (28.4') 湿吸
  • 全冲程 PTFE – 6.2 m (20.2') 干吸, 8.6 m (28.4') 湿吸
最大流量
  • 橡胶– 927 lpm (245 gpm)
  • EZ-Install TPE – 901 lpm (238 gpm)
  • 全冲程 PTFE – 916 lpm (242 gpm)
最大压力
  • 8.6 bar (125 psi)
最大颗粒尺寸
  • 9.5 mm (3/8")
每冲程排量 *
  • 橡胶– 5.2 L (1.38 gal)
  • EZ-Install TPE – 5.3 L (1.41 gal)
  • 全冲程 PTFE – 5.1 L (1.34 gal)
  • *1循环 = 2冲程
  • EC-1935-LOGO
  • fda_logo
  • ce_logo
  • atex_logo

特性与优势

Saniflo™ FDA系列泵专为无需在线清洁(CIP)功能的标准食品应用而设计,非常适用于输送高酸、高糖和高脂肪介质。直通式流道设计,易于安装、使用和维护。FDA系列泵符合FDA、CE、 1935/2004/EC和ATEX的全部要求。
  • 高效、节能的Pro-Flo®SHIFT ADS
  • 更大的流量-每SCFM泵送更多加仑数
  • Tri-Clamp快速连接卡箍设计
  • 清洁拆装快捷
  • 剪切敏感
  • 坚固耐用
  • 直流式设计

下载

EOM

型号:PS15 FDA| 代码:WIL-10420-E-11

规格表

型号: PS15 |代码: WIL-10420-T-02

性能规格

尺寸

Dim-PS15-73mm3in-PFSS-FDA-CMP

注意: 尺寸因材料和连接类型而异。更多相关信息,请参阅PS15金属泵安装手册。

流量曲线–易安装(EZ-Install)热塑性弹性体隔膜

Flo-PS15-73mm3in-PFSS-FDA-CMP

注意: 其它性能曲线可以参阅PS15金属泵安装手册。

进气口
  • 3/4" FNPT
进料口
  • 76 mm (3")
出料口
  • 76 mm (3")
连接类型
  • Tri-Clamp®
最大流量
  • 橡胶– 927 lpm (245 gpm)
  • EZ-Install TPE – 901 lpm (238 gpm)
  • 全冲程 PTFE – 916 lpm (242 gpm)
最大压力
  • 8.6 bar (125 psi)
最大颗粒尺寸
  • 9.5 mm (3/8")
最大吸升高度
  • 橡胶– 6.6 m (21.6’) 干吸, 8.6 m (28.4’) 湿吸
  • EZ-Install TPE – 6.3 m (20.7') 干吸, 8.6 m (28.4') 湿吸
  • 全冲程 PTFE – 6.2 m (20.2') 干吸, 8.6 m (28.4') 湿吸
每冲程排量 *
  • 橡胶– 5.2 L (1.38 gal)
  • EZ-Install TPE – 5.3 L (1.41 gal)
  • 全冲程 PTFE – 5.1 L (1.34 gal)
  • *1循环 = 2冲程

接液部件材质

材料 装运重量
不锈钢 105 kg (230 lb)

非接液部件材质

说明 材料
中心体 铝,镀镍,不锈钢,聚丙烯
气阀 铝,镀镍,不锈钢,聚丙烯
气室 铝,镀镍,不锈钢

弹性体可选材质

材料 温度限值
PTFE* 4°C 至104°C (40°F 至220°F)
Saniflex™ -29°C 至104°C (-20°F 至220°F)

* 仅4°C 至149°C (40°F 至300°F) - 13 mm (1/2") 和25 mm (1") 型号