我们的产品

耐用、可靠和性价比高

威尔顿气动隔膜泵不仅是经济、可靠和节能的理想解决方案,其先进的空气分配系统(ADS)通过减少耗气量和优化维护来显著提高正排量泵的生产率。

查看我们的产品

CHEM-FUSE节省计算器

个性化的节省成本计算

即可根据所填写的工业级隔膜和常规隔膜的标准平均故障间隔时间数据,查看您潜在可节省成本。

立即开始保存

专用泵

查看所有

我们的市场

威尔顿®解决各种泵送挑战。

威尔顿®正排量气动双隔膜(AODD)泵解决方案在诸多行业和应用中处于前沿地位。

查看我们的市场

支持与服务

威尔顿的全球服务和支持,提供超出预期的援助

威尔顿®时刻为威尔顿气动隔膜泵、零件或附件提供技术支持。

查看支持与服务选件

CHEM-FUSE节省计算器

个性化的节省成本计算

即可根据预填的工业级隔膜和常规隔膜的标准平均故障间隔时间数据,立即查看您的潜在节省成本。

立即开始保存

6 mm (1/4") Accu-Flo™ 螺栓塑料泵 A25PS

进气口
  • 1/4" FNPT
进料口
  • 6 mm (1/4")
出料口
  • 6 mm (1/4")
连接类型
  • FNPT/FBSPT (螺纹)
最大吸升高度
  • 4.2 m (14') 干吸, 8.5 m (28') 湿吸
最大流量
  • 21.6 lpm (5.7 gpm)
最大压力
  • 8.3 bar (120 psi)
最大颗粒尺寸
  • 1.6 mm (1/16'')
每冲程排量 *
  • 0.0397 L (0.0105 gal)
  • * 1循环 = 2冲程
  • icon_cert-CE

特性与优势

20多年来威尔顿®一直被最终用户信赖, 直径6毫米(1/4英寸)的Accu-Flo™ A25PS 螺栓塑料泵将优雅简约的外观与强大可靠的性能相结合。配有带电接口,利用电脉冲来实现泵的往复运动,提供可变的往复频率,根据需要轻松设置和控制。多种电压可选,为具有挑战性的计量和配料应用提供所需的灵活性、可靠性、性能和稳定性。

  • 精简、耐用的设计
  • 耐磨易损件
  • 运行无需润滑
  • 螺栓结构,具有卓越的密封性
  • 集成电子(电磁阀)控制
  • 多种电压可选:24V DC,12V DC和110V AC

性能规格

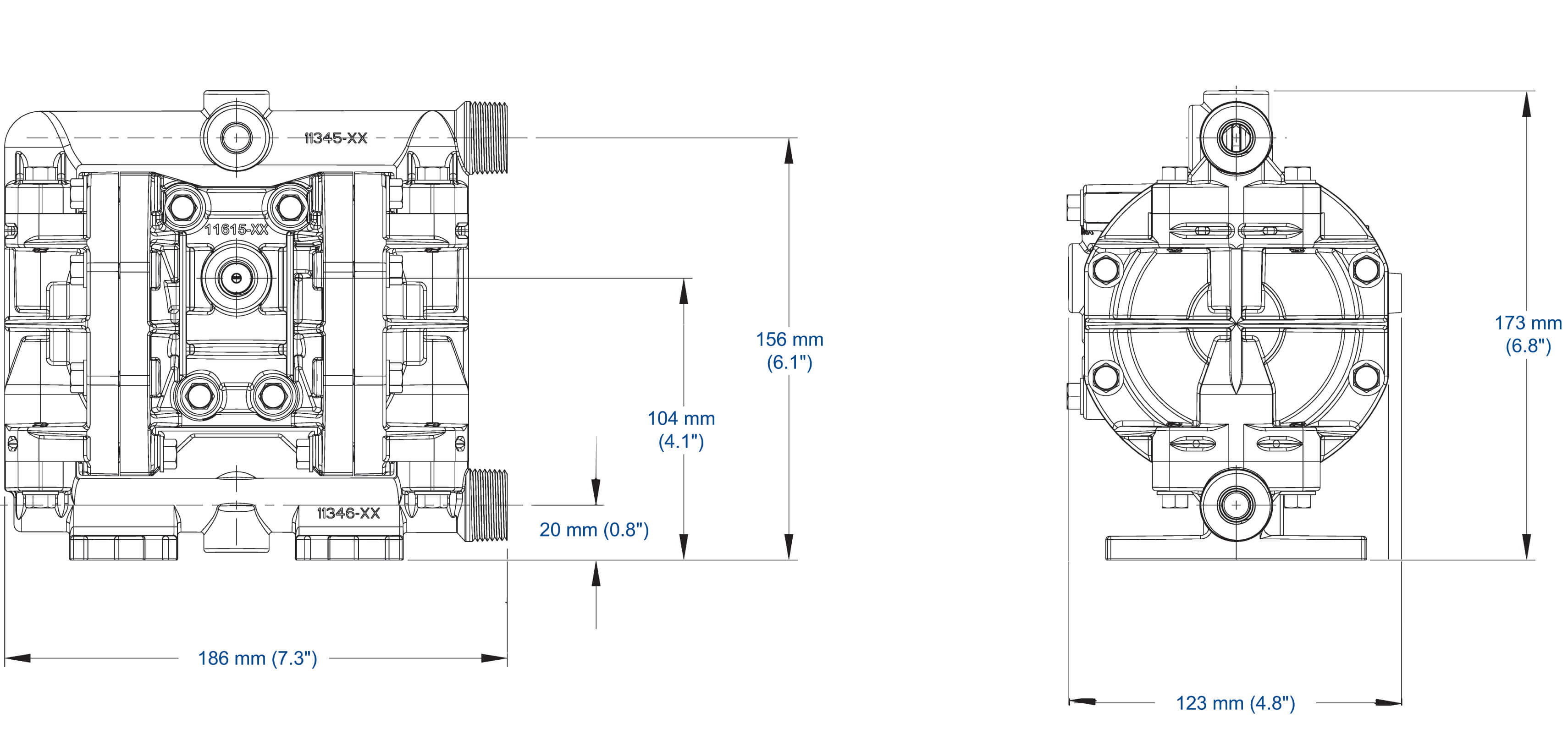
尺寸

Dim-PS25-6mm

流量曲线– 橡胶隔膜

Flo-Dim-PS25-6mm
进气口
  • 1/4" FNPT
进料口
  • 6 mm (1/4")
出料口
  • 6 mm (1/4")
连接类型
  • FNPT/FBSPT (螺纹)
最大压力
  • 8.3 bar (120 psi)
最大流量
  • 21.6 lpm (5.7 gpm)
最大吸升高度
  • 4.2 m (14') 干吸, 8.5 m (28') 湿吸
最大固体颗粒直径
  • 1.6 mm (1/16')
每冲程排量*
  • 0.0397 L (0.0105 gal)
  • * 1循环 = 2冲程

接液部件材质

材料 装运重量
聚丙烯 1.2 kg (2.6 lb)
PVDF 1.7 kg (3.8 lb)

非接液部件材质

说明 材料
中心体 聚丙烯
气阀 聚丙烯

弹性体可选材质

材料 温度限值
丁腈橡胶(Buna-N) -12°C 至82°C (10°F 至180°F)
EPDM -51°C 至138°C (-60°F 至280°F)
Geolast® -40°C 至82°C (-40°F 至180°F)
FKM -40°C 至177°C (-40°F 至350°F)
PTFE* 4°C 至104°C (40°F 至220°F)
Wil-Flex™ -40°C 至107°C (-40°F 至225°F)

附件