我们的产品

耐用、可靠和性价比高

威尔顿气动隔膜泵不仅是经济、可靠和节能的理想解决方案,其先进的空气分配系统(ADS)通过减少耗气量和优化维护来显著提高正排量泵的生产率。

查看我们的产品

CHEM-FUSE节省计算器

个性化的节省成本计算

即可根据所填写的工业级隔膜和常规隔膜的标准平均故障间隔时间数据,查看您潜在可节省成本。

立即开始保存

专用泵

查看所有

我们的市场

威尔顿®解决各种泵送挑战。

威尔顿®正排量气动双隔膜(AODD)泵解决方案在诸多行业和应用中处于前沿地位。

查看我们的市场

支持与服务

威尔顿的全球服务和支持,提供超出预期的援助

威尔顿®时刻为威尔顿气动隔膜泵、零件或附件提供技术支持。

查看支持与服务选件

CHEM-FUSE节省计算器

个性化的节省成本计算

即可根据预填的工业级隔膜和常规隔膜的标准平均故障间隔时间数据,立即查看您的潜在节省成本。

立即开始保存
V2550_0.25_in._Velocity_Plastic_Horizontal_2 V2550_0.25_in._Velocity_Plastic_Horizontal V2550_0.25_in._Velocity_Plastic_Vertical_2 V2550_0.25_in._Velocity_Plastic_Vertical

6 mm (1/4") Velocity 系列塑料螺栓泵 V2550

进气口
  • 1/4" FNPT
进料口
  • 6 mm (1/4")
出料口
  • 6 mm (1/4")
连接类型
  • FNPT (螺纹)
最大吸升高度
  • 4.3 m (14.2') 干吸, 6.2 m (20.4') 湿吸
最大流量
  • 21.6 lpm (5.7 gpm)
最大压力
  • 6.9 bar (100 psi)
最大颗粒尺寸
  • 0.8 mm (1/32'')
每冲程排量 *
  • 0.04 L (0.01 gal)
  • *1循环 = 2冲程
  • icon_cert-CE

特性与优势

威尔顿®Velocity系列紧凑型气动隔膜泵具有通用性。该系列采用业界首款可拆卸安装支脚,可以轻松地重新定位到垂直或水平位置,具有多个入口和出口端口选项,是系统和模块安装的关键因素。

  • 多种安装配置,适合任何应用
  • 干吸高度可达4.3 m(14.2')
  • 启动压力低至1.03 bar(15 psi)
  • 内孔密封设计消除了由于扭矩衰减产生的泄漏风险
  • 可与威尔顿原有的泵底脚互换(P.025,P25)

性能规格

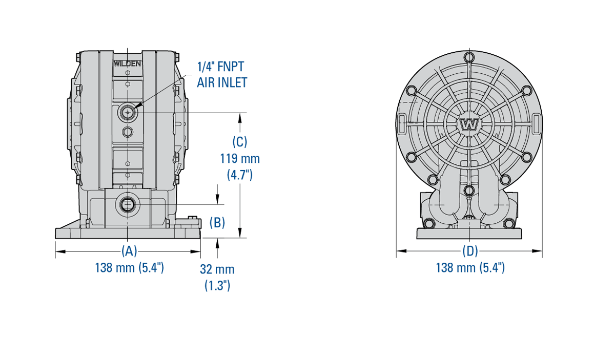
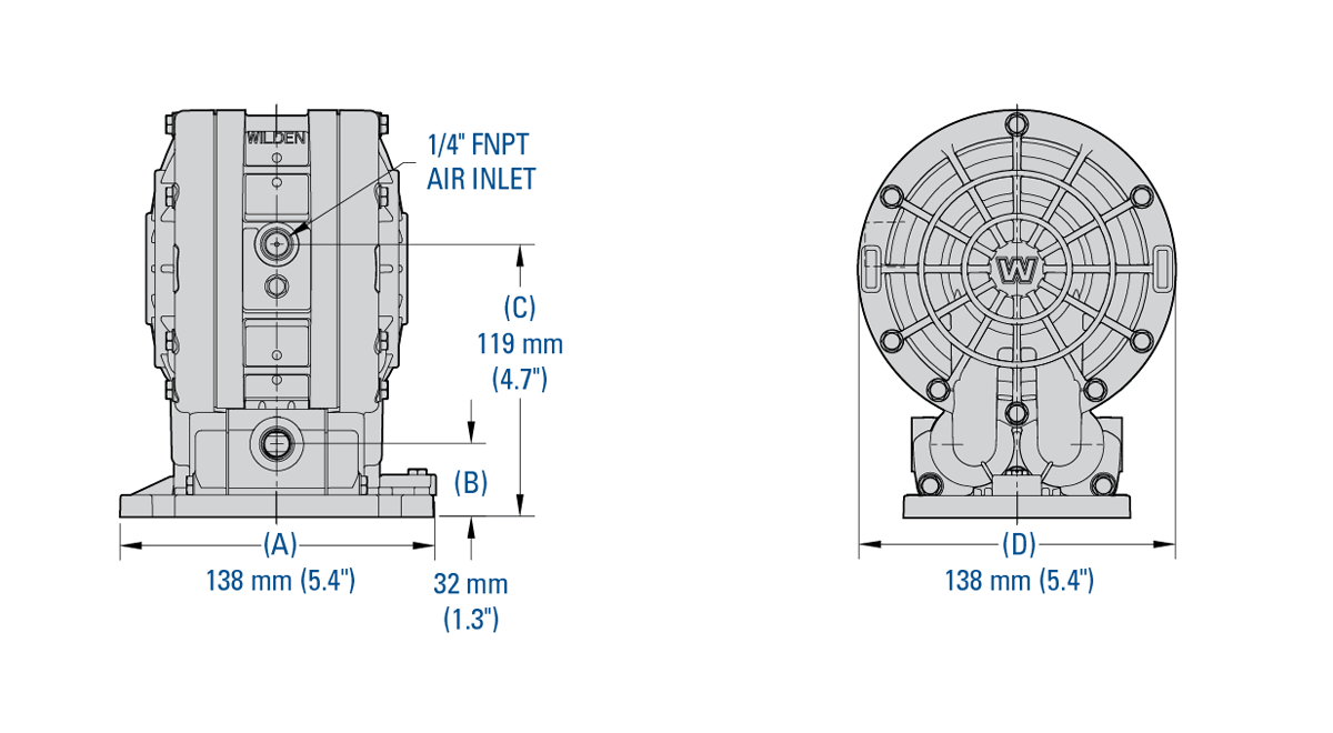
尺寸

Dim-V2550-6mm.25in-VS-BPP

注意: 尺寸因材料和连接类型而异。更多相关信息,请参阅V2550金属泵手册。

流量曲线– 热塑性弹性体隔膜

Flo-V2550-6mm.25in-VS-BPP

注意: 其它性能曲线可以参阅V2550金属泵手册。

进气口
  • 1/4" FNPT
进料口
  • 6 mm (1/4")
出料口
  • 6 mm (1/4")
连接类型
  • FNPT (螺纹)
最大流量
  • 21.6 lpm (5.7 gpm)
最大压力
  • 6.9 bar (100 psi)
最大颗粒尺寸
  • 0.8 mm (1/32'')
最大吸升高度
  • 4.3 m (14.2') 干吸, 6.2 m (20.4') 湿吸
每冲程排量 *
  • 0.04 L (0.01 gal)
  • * 1循环 = 2冲程

接液部件材质

材料 装运重量
聚丙烯 2 kg (4 lb)
PVDF 2 kg (4 lb)

非接液部件材质

说明 材料
气阀 聚丙烯
气室 PET,铝(仅Accu-Flo™ )

弹性体可选材质

材料 温度限值
PTFE* 4°C 至104°C (40°F 至220°F)
Wil-Flex™
-40°C 至107°C (-40°F 至225°F)

* 仅4°C 至149°C (40°F 至300°F) - 13 mm (1/2") 和25 mm (1") 型号

附件